Web Analytics Made Easy - Statcounter
Protran Transfer Switch Wiring: Full Guide! Reliance protran transfer switch wiring diagram

Protran Transfer Switch Wiring: Full Guide! Reliance protran transfer switch wiring diagram

Protran transfer switch wiring diagram

If you are searching about Reliance Protran Transfer Switch Wiring Diagram - Wiring Diagram Pictures you've visit to the right web. We have 25 Images about Reliance Protran Transfer Switch Wiring Diagram - Wiring Diagram Pictures like Reliance Protran Transfer Switch Wiring Diagram, Reliance Protran Transfer Switch Wiring Diagram and also Transfer Switch Wiring Diagrams Generac | Manual E-Books - Generac 100. Read more:

Reliance Protran Transfer Switch Wiring Diagram - Wiring Diagram Pictures

Reliance Protran Transfer Switch Wiring Diagram - Wiring Diagram Pictures schematron.org

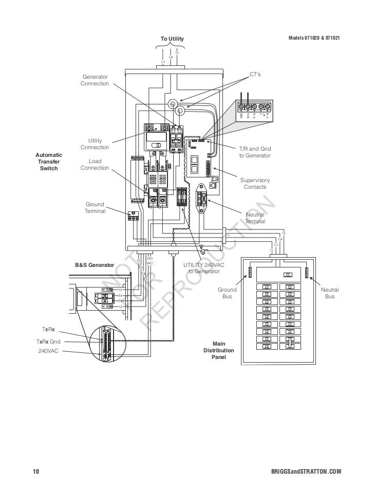
reliance wiring manual switches tran installation codes instructions

Protran Transfer Switch Wiring Diagram

Protran Transfer Switch Wiring Diagram userenginewendy.z21.web.core.windows.net

Protran Transfer Switch Wiring Diagram Collection - Wiring Diagram Sample

Protran Transfer Switch Wiring Diagram Collection - Wiring Diagram Sample faceitsalon.com

transfer switch wiring diagram stratton briggs generator amp automatic power generac collection watt ats system parts ge

Reliance 30-Amp ProTran Manual Transfer Switch In The, 40% OFF

Reliance 30-Amp ProTran Manual Transfer Switch In The, 40% OFF www.pinnaxis.com

Protran Transfer Switch Wiring Diagram

protran transfer switch wiring diagram enginediagrambuckri88.z19.web.core.windows.net

Reliance 30-Amp ProTran 2 Manual Transfer Switch 306LRK – Sansujyuku

Reliance 30-Amp ProTran 2 Manual Transfer Switch 306LRK – Sansujyuku sansujyuku.com

Protran Manual Transfer Switch

Protran Manual Transfer Switch guidefixlovelystephyhu.z22.web.core.windows.net

Reliance Protran Transfer Switch Wiring Diagram - Wiring Diagram Pictures

Reliance Protran Transfer Switch Wiring Diagram - Wiring Diagram Pictures schematron.org

reliance transfer

Protran Transfer Switch Wiring Diagram - Aisleinspire

Protran Transfer Switch Wiring Diagram - aisleinspire aisleinspire.blogspot.com

Reliance Protran Transfer Switch Wiring Diagram

Reliance Protran Transfer Switch Wiring Diagram wiringall.com

switch transfer reliance wiring tran controls crk description

Wiring A Reliance Transfer Switch

Wiring A Reliance Transfer Switch guidediagramparalyzers.z21.web.core.windows.net

Reliance 50 -Amp ProTran Manual Transfer Switch In The Generator

Reliance 50 -Amp ProTran Manual Transfer Switch in the Generator www.lowes.com

Protran Transfer Switch Wiring Diagram Collection - Wiring Diagram Sample

Protran Transfer Switch Wiring Diagram Collection - Wiring Diagram Sample faceitsalon.com

wiring diagram switch transfer reliance generator collection tran pro manual

Protran Transfer Switch Wiring Diagram

Protran Transfer Switch Wiring Diagram circuitwiringslummy101.z22.web.core.windows.net

Protran Transfer Switch Wiring Diagram - Aisleinspire

Protran Transfer Switch Wiring Diagram - aisleinspire aisleinspire.blogspot.com

Protran Transfer Switch Wiring Diagram

Protran Transfer Switch Wiring Diagram userenginewendy.z21.web.core.windows.net

Transfer Switch Wiring Diagrams Generac | Manual E-Books - Generac 100

Transfer Switch Wiring Diagrams Generac | Manual E-Books - Generac 100 2020cadillac.com

generac wiring automatic gts allove

Protran Transfer Switch Wiring Diagram

protran transfer switch wiring diagram enginediagrambuckri88.z19.web.core.windows.net

Reliance Protran Transfer Switch Wiring Diagram

Reliance Protran Transfer Switch Wiring Diagram wiringall.com

Reliance Protran Transfer Switch Wiring Diagram

Reliance Protran Transfer Switch Wiring Diagram wiringall.com

generator reliance wiring wire controls tran generators power manual watts installation peterainsworth 30a

Reliance 30-Amp ProTran Manual Transfer Switch, 54% OFF

Reliance 30-Amp ProTran Manual Transfer Switch, 54% OFF lenguasextranjerastec.cdserdan.tecnm.mx

Reliance Protran Transfer Switch Wiring Diagram

Reliance Protran Transfer Switch Wiring Diagram wiringall.com

wiring reliance subpanel instead portable

Protran Transfer Switch Wiring Diagram - Aisleinspire

Protran Transfer Switch Wiring Diagram - aisleinspire aisleinspire.blogspot.com

Protran Transfer Switch Wiring Diagram - Electrical Wiring Work

Protran Transfer Switch Wiring Diagram - Electrical Wiring Work electrical-wiring-work.web.app

Protran Transfer Switch Wiring Diagram

protran transfer switch wiring diagram enginediagrambuckri88.z19.web.core.windows.net

Protran transfer switch wiring diagram collection. Protran transfer switch wiring diagram. Generator reliance wiring wire controls tran generators power manual watts installation peterainsworth 30a