Web Analytics Made Easy - Statcounter
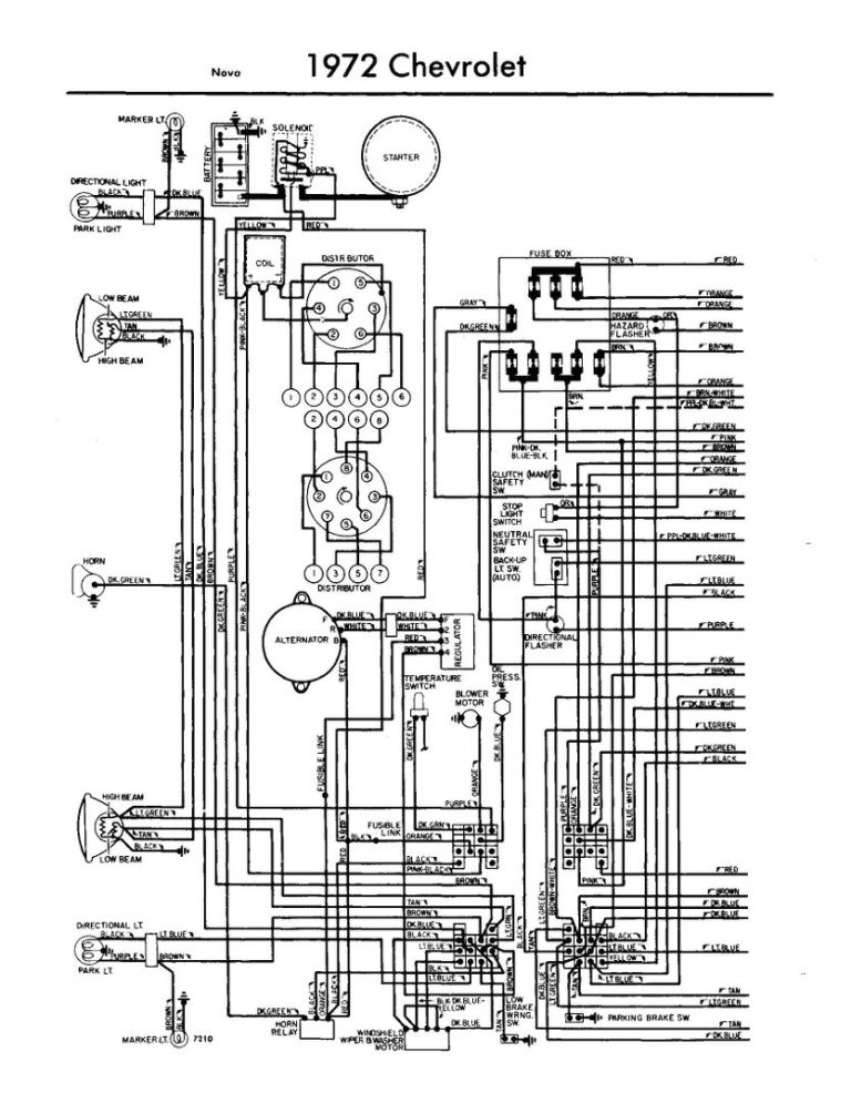
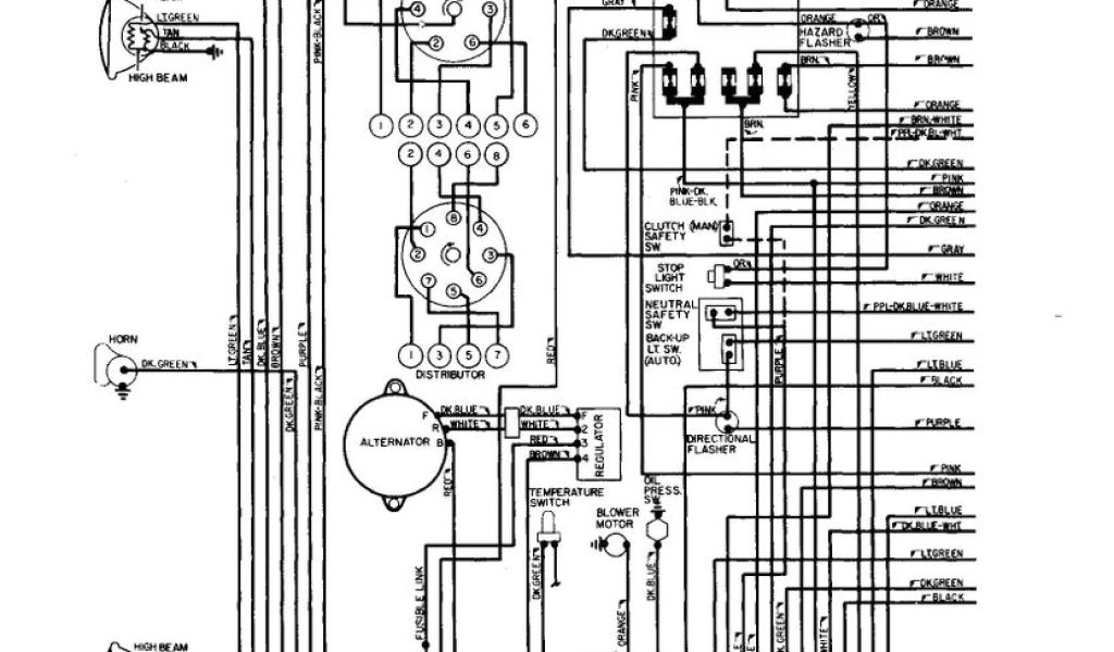
1972 Chevrolet Corvette Wiring Diagrams – Classic Car Restoration! 1972 corvette headlight wiring diagram

1972 Chevrolet Corvette Wiring Diagrams – Classic Car Restoration! 1972 corvette headlight wiring diagram

1972 corvette headlight wiring diagram

If you are looking for 1972 Corvette Wiring Diagrams - Circuit Diagram you've came to the right web. We have 25 Pictures about 1972 Corvette Wiring Diagrams - Circuit Diagram like 1972 Corvette Wiring Diagram 1976 Corvette Suspension Diagram Wiring, 1972 Corvette Wiring Diagram Mgb Wiring Harness Diagrams Wiring Diagram and also 1972 Corvette Wiring Diagram. Here you go:

1972 Corvette Wiring Diagrams - Circuit Diagram

1972 Corvette Wiring Diagrams - Circuit Diagram www.circuitdiagram.co

1982 CHEVROLET CORVETTE Wiring Diagrams Schematics Manual Sheets Set £

1982 CHEVROLET CORVETTE Wiring Diagrams Schematics Manual Sheets Set £ picclick.co.uk

1972 Corvette Wiring Diagram - Wiring Diagram

1972 Corvette Wiring Diagram - Wiring Diagram wiringdiagram.2bitboer.com

1972 Corvette Wiring Diagram Mgb Wiring Harness Diagrams Wiring Diagram

1972 Corvette Wiring Diagram Mgb Wiring Harness Diagrams Wiring Diagram www.autocardesign.org

1972 Corvette Wiring Diagram 1976 Corvette Suspension Diagram Wiring

1972 Corvette Wiring Diagram 1976 Corvette Suspension Diagram Wiring www.autocardesign.org

1972 Corvette Wiper Motor Wiring Diagram

1972 Corvette Wiper Motor Wiring Diagram mungfali.com

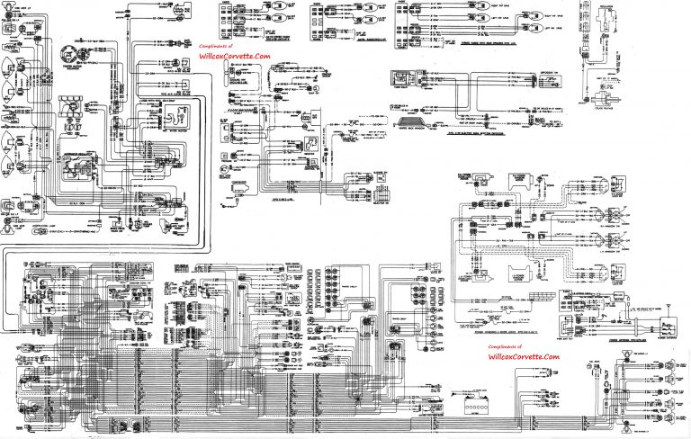
1972 Corvette Laminated Chassis Wiring Harness Diagram VWD7200

1972 Corvette Laminated Chassis Wiring Harness Diagram VWD7200 www.mamotorworks.com

Eckler's 1973-1982 Corvette Electrical Wiring Diagrams | Chevrolet

Eckler's 1973-1982 Corvette Electrical Wiring Diagrams | Chevrolet www.ecklerscorvette.com

1972 Corvette Wiring Diagram 1976 Corvette Suspension Diagram Wiring

1972 Corvette Wiring Diagram 1976 Corvette Suspension Diagram Wiring www.autocardesign.org

Corvette Wiring Diagram, Laminated, 1972 | Corvette Depot

Corvette Wiring Diagram, Laminated, 1972 | Corvette Depot www.corvettedepot.ca

1972 Corvette Wiring Diagram

1972 Corvette Wiring Diagram stewart-switch.com

1972 Corvette Wiring Diagram 1972 Corvette Dash Wiring Diagram Wiring

1972 Corvette Wiring Diagram 1972 Corvette Dash Wiring Diagram Wiring www.autocardesign.org

1972 Corvette Headlight Wiring Diagram - Upnatural

1972 Corvette Headlight Wiring Diagram - Upnatural upnatural.blogspot.com

1972 Chevrolet Corvette Wiring Diagrams - Uploadid

1972 Chevrolet Corvette Wiring Diagrams - Uploadid uploadid70.blogspot.com

1972 Corvette Factory Assembly Manual CD-ROM

1972 Corvette Factory Assembly Manual CD-ROM www.faxonautoliterature.com

1972 Corvette Wiring Diagrams - Circuit Diagram

1972 Corvette Wiring Diagrams - Circuit Diagram www.circuitdiagram.co

1972 Corvette Wiring Diagram | Autocardesign

1972 Corvette Wiring Diagram | autocardesign www.autocardesign.org

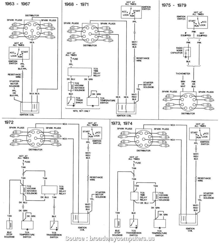
1972 Corvette Wiring Diagram 1972 Corvette Ignition Wiring Diagram

1972 Corvette Wiring Diagram 1972 Corvette Ignition Wiring Diagram www.autocardesign.org

1972 Chevrolet Corvette Wiring Diagrams - Uploadid

1972 Chevrolet Corvette Wiring Diagrams - Uploadid uploadid70.blogspot.com

Unveiling The Wiring Magic Of The 1972 Corvette

Unveiling the Wiring Magic of the 1972 Corvette allwiringsketch.com

1972 Corvette Wiring Diagrams - Circuit Diagram

1972 Corvette Wiring Diagrams - Circuit Diagram www.circuitdiagram.co

1972 Corvette Headlight Wiring Diagram - Upnatural

1972 Corvette Headlight Wiring Diagram - Upnatural upnatural.blogspot.com

1972 Corvette Stingray Owner's Manual Package Reprint

1972 Corvette Stingray Owner's Manual Package Reprint www.faxonautoliterature.com

1972 Corvette Wiring Diagram 1972 Corvette Ignition Wiring Diagram

1972 Corvette Wiring Diagram 1972 Corvette Ignition Wiring Diagram www.autocardesign.org

C2 Corvette Wiring Diagrams (1963-1967)

C2 Corvette Wiring Diagrams (1963-1967) www.zip-corvette.com

1972 corvette wiring diagrams. 1972 corvette headlight wiring diagram. 1972 corvette laminated chassis wiring harness diagram vwd7200